
Call us:
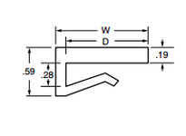
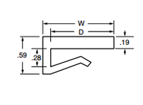
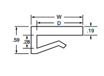
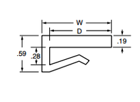
+1 (217) 579-8045J-Legs, 0.875" Width x 10' Length, White UHMW-PE Ram extruded UHMW-PE. Ultra high molecular weight material can be used in a variety of applications. Low friction characteristics of UHMW allow chains/belts and containers to move at high speed with minimum drag and noise as well as minimum container damage. Low friction High wear resistance FDA & USDA complaint material.